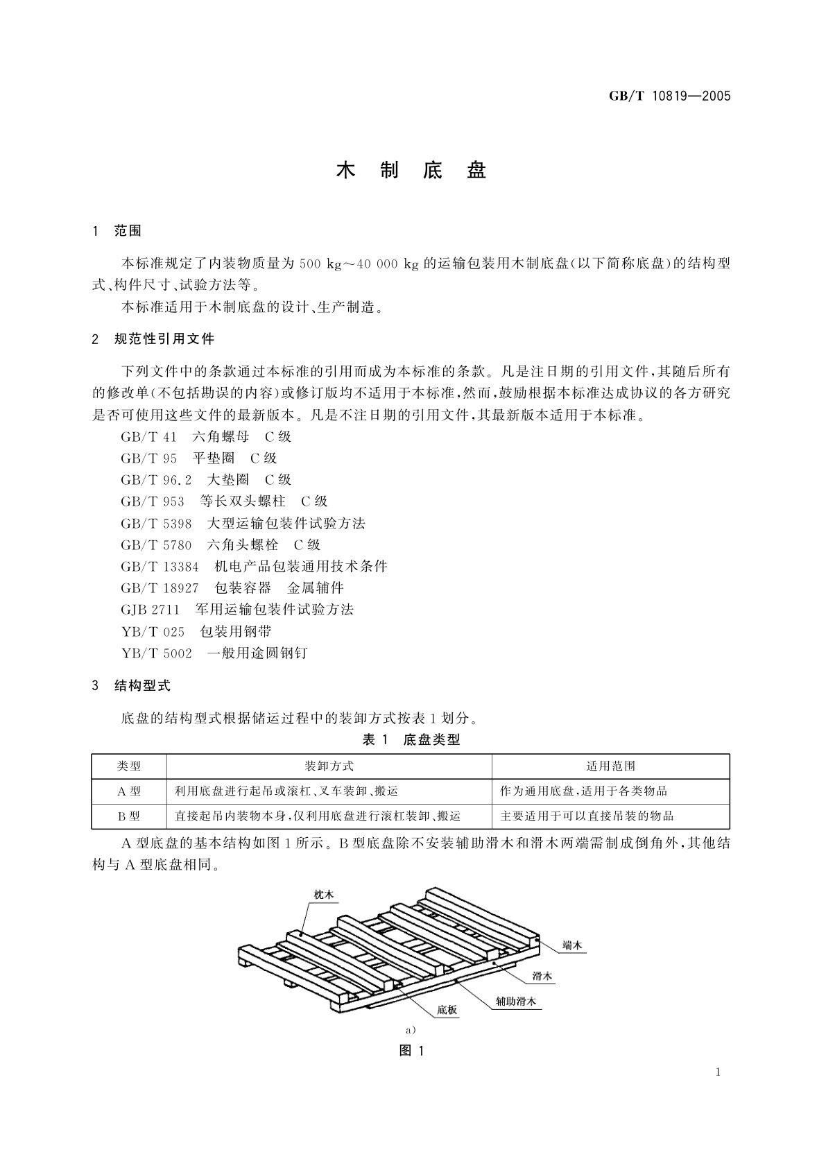
GB/T 10819-2005 木制底盘
GB/T 10819-2005 Wooden skid
国家标准
中文简体
现行
页数:20页
|
格式:PDF
基本信息
标准号
GB/T 10819-2005
相关服务
仅限个人学习交流使用
标准类型
国家标准
标准状态
现行
中国标准分类号(CCS)
A85 木制底盘
国际标准分类号(ICS)
55.180.20
发布日期
2005-05-25
实施日期
2005-11-01
发布单位/组织
中华人民共和国国家质量监督检验检疫总局、中国国家标准化管理委员会
归口单位
全国包装标准化技术委员会
适用范围
-
发布历史
-
1989-12
-
2005-11
文前页预览
免费预览已结束,剩余部分可下载查看
研制信息
- 起草单位:
- 起草人:
- 黄雪、周澍、张晓建、穆林、司维新
- 出版信息:
- 页数:20页 | 字数:27 千字 | 开本: 大16开
推荐标准
- GB/T 41257-2022 数字化车间功能安全要求 2022-03-09
- GB/T 3489-2015 硬质合金 孔隙度和非化合碳的金相测定 2015-12-10
- GB 11234-2006 宫腔形宫内节育器 2006-09-14
- JJF 1444-2014 直流比较仪式测温电桥校准规范 2014-01-23
- GB/T 32065.2-2015 海洋仪器环境试验方法 第2部分:低温试验 2015-10-09
- GB/T 18932.22-2003 蜂蜜中果糖、葡萄糖、蔗糖、麦芽糖含量的测定方法 液相色谱示差折光检测法 2003-12-26
- GB/T 3735.1-1983 卡套式端直通长管接头 1983-06-17
- GB/T 15382-2021 气瓶阀通用技术要求 2021-08-20
- GB/T 5289.1-2008 卧式铣镗床精度检验条件 第1部分:固定立柱和移动式工作台机床 2008-08-11
- YY/T 0288-1996 质量体系 医疗器械 GB/T 19002—ISO 9002应用的专用要求 1996-08-12
相似标准推荐
更多>- 1 GB/T 19267.6-2008 刑事技术微量物证的理化检验 第6部分:扫描电子显微镜/X射线能谱法
- 2 MT/T 485-1995 煤矿酸性水中钙离子的测定方法
- 3 GB/T 17636-1998 土工布及其有关产品 抗磨损性能的测定 砂布/滑块法
- 4 GB/T 5532-2008 动植物油脂 碘值的测定
- 5 GB/T 22275.3-2008 良好实验室规范实施要求 第3部分:实验室供应商对良好实验室规范原则的符合情况
- 6 GB/T 38050-2019 乳化沥青渗透性测定法
- 7 GB/T 1209.2-2009 农业机械 切割器 第2部分:护刃器
- 8 GB/T 32010.1-2015 文献管理 可移植文档格式 第1部分:PDF1.7
- 9 GB/T 32753-2016 苎麻精干麻硬条(并丝)率试验方法
- 10 GB/T 20127.5-2006 钢铁及合金 痕量元素的测定 第5部分:萃取分离-罗丹明B光度法测定镓含量

关闭预览
