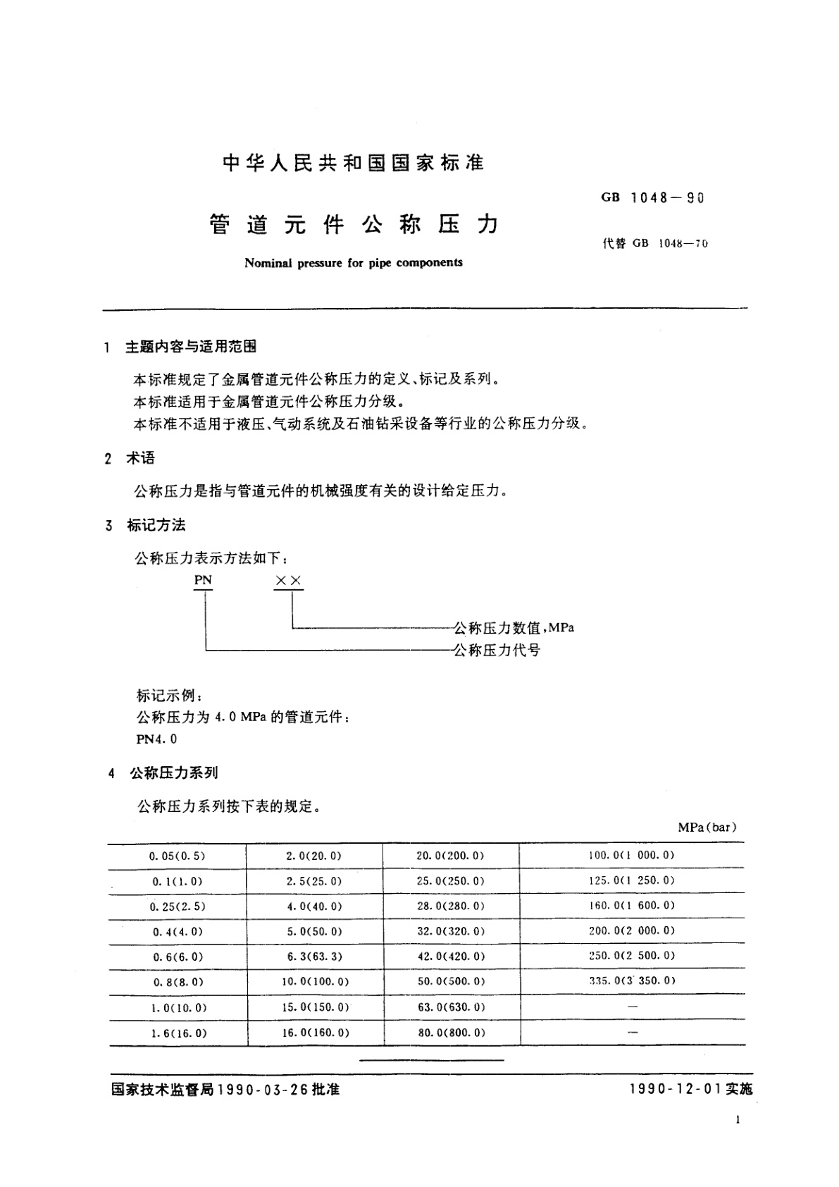
GB/T 1048-1990 管道元件公称压力
GB/T 1048-1990 Nominal pressure for pipe components
国家标准
中文版
被代替
页数:4页
|
格式:PDF
基本信息
标准号
GB/T 1048-1990
相关服务
仅限个人学习交流使用
标准类型
国家标准
标准状态
被代替
中国标准分类号(CCS)
J15 管道元件公称压力
国际标准分类号(ICS)
23.040.90
发布日期
1990-03-26
实施日期
1990-12-01
发布单位/组织
国家技术监督局
归口单位
机械电子工业部机械标准化研究所
适用范围
-
发布历史
-
1990-12
文前页预览
免费预览已结束,剩余部分可下载查看
研制信息
- 起草单位:
- 起草人:
- 陈琳、于浦义、李金钊
- 出版信息:
- 页数:4页 | 字数:3 千字 | 开本: 大16开
推荐标准
- GB/T 4133-2025 机床 莫氏圆锥强制传动 2025-10-31
- GB/T 43717-2024 数字化试衣 虚拟服装属性 2024-03-15
- GB/T 18844-2002 滑动轴承 损坏和外观变化的术语、特征及原因 2002-09-13
- GB/T 21174-2007 动物源性食品中β-内酰胺类药物残留测定方法 放射受体分析法 2007-10-29
- GB/T 2317.3-2000 电力金具 热循环试验方法 2000-07-14
- YB/T 017-1992 液压泥炮技术条件 1992-03-09
- GB/T 17616-2025 钢铁及合金牌号统一数字代号体系 2025-08-29
- GA/T 2000.120-2015 公安信息代码 第120部分:社区戒毒结束原因代码 2015-10-26
- GB/T 24350-2009 家用及类似场所用带选择性的过电流保护断路器 2009-09-30
- GB/T 6786-1986 M14×1.25平座火花塞及其气缸盖安装孔 1986-08-28
相似标准推荐
更多>- 1 GA/T 985-2012 法庭科学立体痕迹石膏制模提取方法
- 2 YS/T 553-2009 重型刀具用硬质合金刀片毛坯
- 3 GB 19877.1-2005 特种洗手液
- 4 GB 1886.156-2015 食品安全国家标准 食品添加剂 乙酸松油酯
- 5 GB 12670-1990 聚丙烯树脂
- 6 GB/T 24724-2009 收费专用键盘
- 7 HY/T 0305-2021 养殖大型藻类和双壳贝类碳汇计量方法 碳储量变化法
- 8 GB/T 43839-2024 伴侣动物(宠物)用品安全技术要求
- 9 GB/T 16783.2-2012 石油天然气工业 钻井液现场测试 第2部分:油基钻井液
- 10 NB/T 11132-2023 采煤机尘源跟踪喷雾降尘系统通用技术条件

关闭预览
