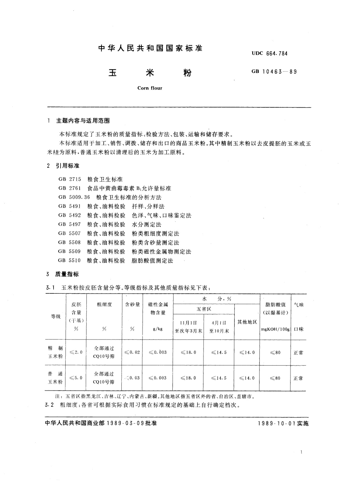
GB/T 10463-1989 玉米粉
GB/T 10463-1989 Corn flour
国家标准
中文简体
被代替
页数:8页
|
格式:PDF
基本信息
标准号
GB/T 10463-1989
相关服务
仅限个人学习交流使用
标准类型
国家标准
标准状态
被代替
中国标准分类号(CCS)
X11 玉米粉
国际标准分类号(ICS)
67.060
发布日期
1989-03-22
实施日期
1989-10-01
发布单位/组织
国家技术监督局
归口单位
商业部粮食储运局
适用范围
-
发布历史
-
1989-10
文前页预览
免费预览已结束,剩余部分可下载查看
研制信息
- 起草单位:
- 吉林省粮油卫生检验监测站、辽宁省粮油检验所、黑龙江省粮食厅粮价检验处
- 起草人:
- 谭世友、牛殿华、宋长权、郁伟、孙桂琦
- 出版信息:
- 页数:8页 | 字数:5 千字 | 开本: 大16开
推荐标准
- GB/T 35711-2017 高压直流输电系统直流侧谐波分析、抑制与测量导则 2017-12-29
- CJ 247-2007 城镇污水处理厂污泥泥质 2007-01-29
- JB/T 20007.1-2021 口服液玻璃瓶灌装联动线 2021-05-17
- GB/T 20002.1-2025 标准中特定内容的编写指南 第1部分:涉及儿童安全 2025-10-05
- GB/T 40512-2021 汽车整车大气暴露试验方法 2021-08-20
- GB/T 25163-2025 防止儿童开启包装 可重新盖紧包装的要求与试验方法 2025-06-30
- GB/T 24421.2-2009 服务业组织标准化工作指南 第2部分:标准体系 2009-09-30
- GB/T 20671.1-2006 非金属垫片材料分类体系及试验方法 第1部分:非金属垫片材料分类体系 2006-12-07
- GB/T 42503-2023 农产品产地冷链物流服务规范 2023-03-17
- GB/T 40300-2021 微束分析 分析电子显微学 术语 2021-08-20
相似标准推荐
更多>- 1 GB/T 39849-2021 无损检测仪器 超声衍射声时检测仪 性能测试方法
- 2 GB/T 38569-2020 工业微生物菌株质量评价 拉曼光谱法
- 3 SB/T 10539.1-2009 动产典当操作技术规范 第1部分:贵金属、珠宝玉石和钟表典当
- 4 LS/T 1819-2018 粮食流通电子标识数据规范
- 5 YB/T 5049-1999 滑板砖
- 6 GB/T 30966.4-2014 风力发电机组 风力发电场监控系统通信 第4部分:映射到通信规约
- 7 GB 13318-2003 锻造生产安全与环保通则
- 8 GB/T 5838.45-2015 荧光粉 第4-5部分:彩色显示管用荧光粉
- 9 GB/T 29653-2013 锰矿石 粒度分布的测定 筛分法
- 10 GB/T 13096.2-1991 拉挤玻璃纤维增强塑料杆弯曲性能试验方法

关闭预览
