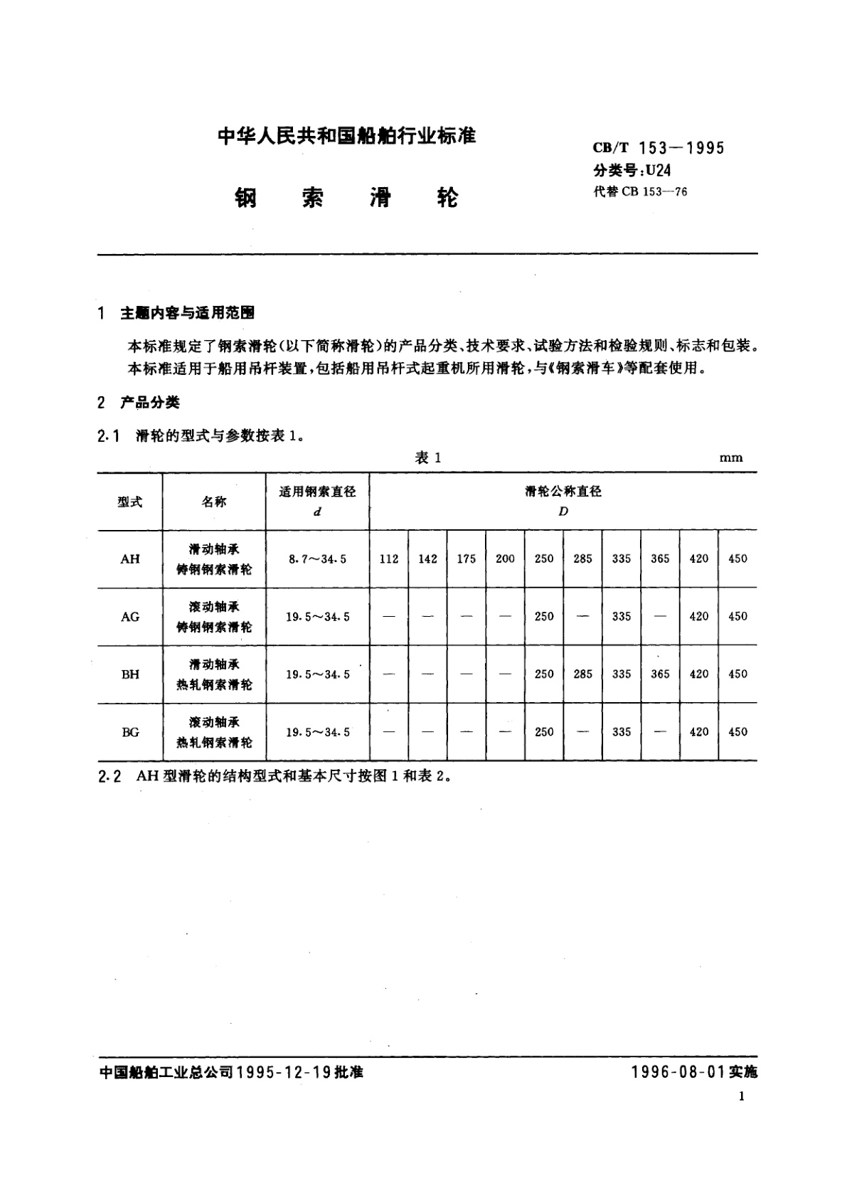
CB/T 153-1995 钢索滑轮
CB/T 153-1995
行业标准
中文简体
废止
页数:12页
|
格式:PDF
基本信息
标准号
CB/T 153-1995
相关服务
仅限个人学习交流使用
标准类型
行业标准
标准状态
废止
中国标准分类号(CCS)
U24 钢索滑轮
国际标准分类号(ICS)
发布日期
1995-12-19
实施日期
1996-08-01
发布单位/组织
中国船舶工业总公司
归口单位
江南造船厂
适用范围
-
发布历史
-
1996-08
文前页预览
免费预览已结束,剩余部分可下载查看
研制信息
- 起草单位:
- 江南造船厂、常州滑轮厂、常熟市起重机械厂
- 起草人:
- 张颂鹰、谢志刚、沈茂林、薛惠刚
- 出版信息:
- 页数:12页 | 字数:12 千字 | 开本: 大16开
推荐标准
- GB 2099.1-1996 家用和类似用途插头插座 第一部分:通用要求 1996-01-10
- GB/T 33168-2016 社区老年人日间照料中心服务基本要求 2016-10-13
- GB/T 28170.2-2021 信息技术 计算机图形和图像处理 可扩展三维组件(X3D) 第2部分:场景访问接口(SAI) 2021-03-09
- LY/T 2655-2016 立木生物量模型及碳计量参数——云杉 2016-07-27
- GB/T 23133-2008 家用电冰箱蒸发器 2008-12-30
- GB/T 2423.38-2005 电工电子产品环境试验 第2部分:试验方法 试验R:水试验方法和导则 2005-08-26
- GB/T 29465-2012 浮头式热交换器用外头盖侧法兰 2012-12-31
- GB/T 4061-1983 硅多晶断面夹层化学腐蚀检验方法 1983-12-20
- GB/T 20027.1-2016 橡胶或塑料涂覆织物 破裂强度的测定 第1部分:钢球法 2016-10-13
- GB/T 18355-2001 优质高产人参种植 2001-04-17
相似标准推荐
更多>- 1 GB/T 33568-2017 户外用木材涂饰表面老化等级与评价方法
- 2 NY 5104-2002 无公害食品 草莓产地环境条件
- 3 GB/T 19443-2017 标称电压高于1 500 V的架空线路用绝缘子 直流系统用瓷或玻璃绝缘子串元件 定义、试验方法及接收准则
- 4 GB/T 28530-2012 国际货运代理系列单证 单证数据项
- 5 GB/T 13749-2022 冲击式打桩机 安全操作规程
- 6 LY/T 2613-2016 蒎烷
- 7 YS/T 3043-2023 含氯金物料中金量的测定
- 8 WH/T 78.3-2018 演出安全 第3部分:舞台灯光安全
- 9 GB/T 34136-2017 机械电气安全GB 28526和GB/T 16855.1用于机械安全相关控制系统设计的应用指南
- 10 GB 4505-1984 医用诊断X线发生装置通用技术条件

关闭预览
