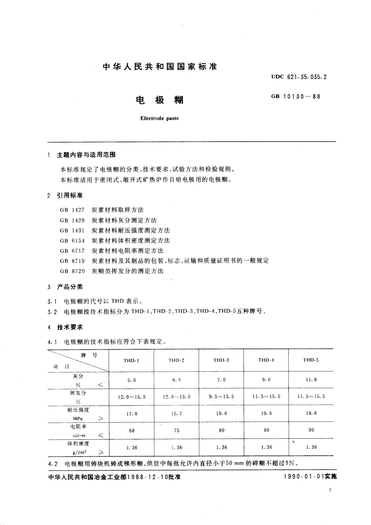
GB/T 10130-1988 电极糊
GB/T 10130-1988 Electrode paste
国家标准
中文简体
废止
页数:4页
|
格式:PDF
基本信息
标准号
GB/T 10130-1988
相关服务
仅限个人学习交流使用
标准类型
国家标准
标准状态
废止
中国标准分类号(CCS)
Q52 电极糊
国际标准分类号(ICS)
29.040
发布日期
1988-12-10
实施日期
1990-01-01
发布单位/组织
国家技术监督局
归口单位
适用范围
-
发布历史
-
1990-01
文前页预览
免费预览已结束,剩余部分可下载查看
研制信息
- 起草单位:
- 吉林炭素厂、冶金部情报标准研究总所
- 起草人:
- 陈余珍、孙瑞虹
- 出版信息:
- 页数:4页 | 字数:4 千字 | 开本: 大16开
推荐标准
- GB/T 42983.2-2023 工业机器人 运行维护 第2部分:故障诊断 2023-09-07
- GB/T 32362-2015 工业用六氟丙烯 2015-12-31
- GA/T 1038.2-2012 消防公共服务平台技术规范 第2部分:服务管理接口 2012-12-27
- GB/T 38205.3-2019 液压传动 16 MPa系列单杆缸的安装尺寸 第3部分:缸径250 mm~500 mm紧凑型系列 2019-10-18
- GM/T 0018-2012 密码设备应用接口规范 2012-11-22
- GB/T 34075-2017 普通照明用LED产品光辐射安全测量方法 2017-07-31
- GA/T 946.1-2011 道路交通管理信息采集规范 第1部分:机动车驾驶证业务信息采集和签注 2011-07-18
- FZ/T 31001-1998 苎麻精干麻 1998-12-25
- GB 6227.1-1999 食品添加剂 日落黄 1999-07-12
- GB/T 14472-1998 电子设备用固定电容器 第14部分:分规范 抑制电源电磁干扰用固定电容器 1998-01-19
相似标准推荐
更多>- 1 GB/T 46261-2025 电化学储能电站火灾监测预警系统通用技术要求
- 2 NY/T 558-2002 牛海绵状脑病诊断技术
- 3 GB/T 23584-2009 水果、蔬菜中啶虫脒残留量的测定 液相色谱-串联质谱法
- 4 GB/T 31280-2022 品牌价值评价 酒、饮料和精制茶制造业
- 5 GB/T 7986-2013 输送带 滚筒摩擦试验
- 6 GB/T 4925-1985 合成纤维渔网片断裂强力与断裂伸长率试验方法
- 7 GB/T 29559-2013 表面化学分析 辉光放电原子发射光谱 锌和/或铝基合金镀层的分析
- 8 FZ/T 93048-1998 针刺用针
- 9 GB/T 5121.8-2008 铜及铜合金化学分析方法 第8部分:氧含量的测定
- 10 FZ/T 99016-2013 纺织机械电气控制系统 保护联结电路连续性试验规范

关闭预览
