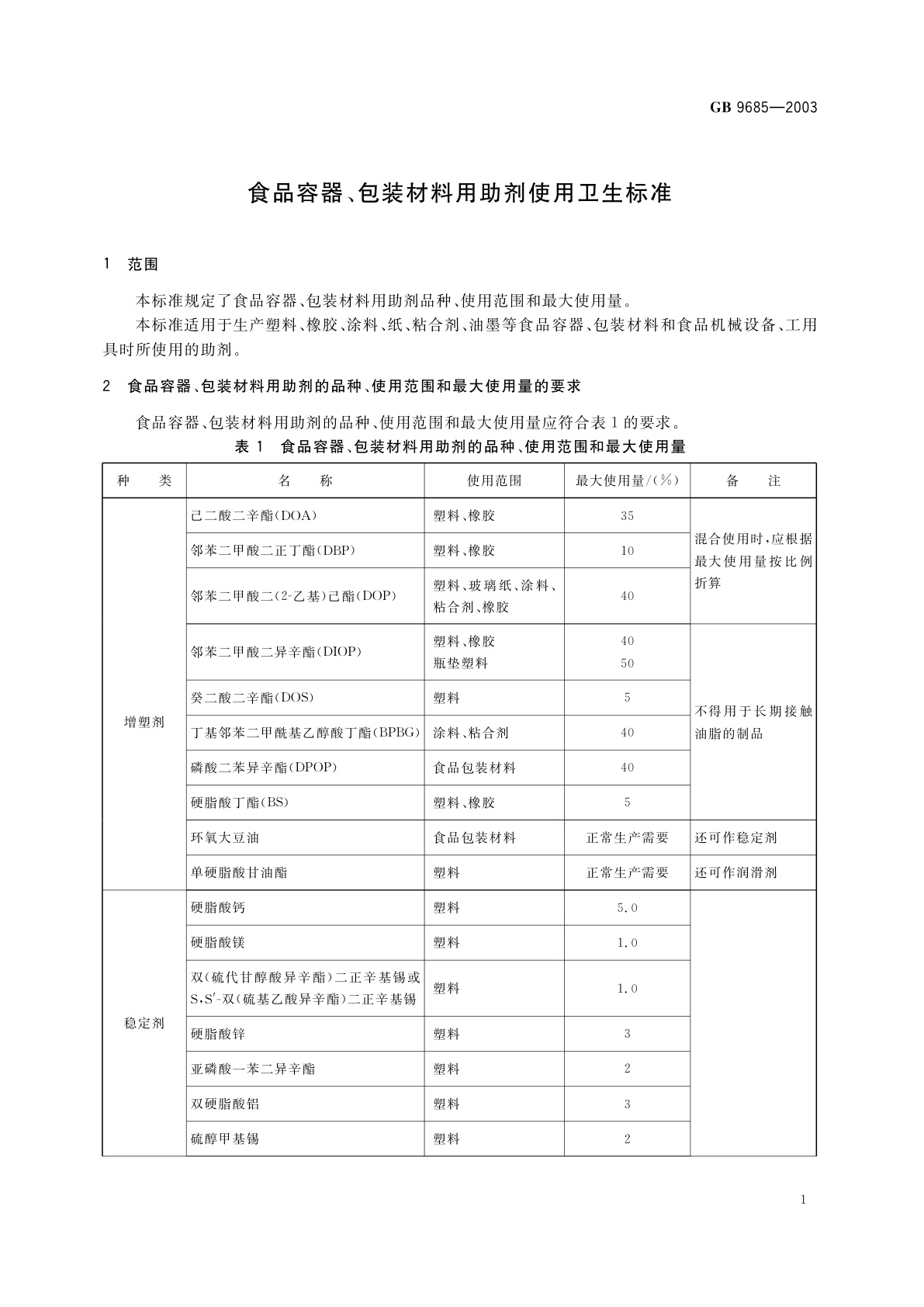
GB 9685-2003 食品容器、包装材料用助剂使用卫生标准
GB 9685-2003 Hygienic standard for adjuvants and processing aids in food containers and packaging materials
国家标准
中文简体
废止
页数:8页
|
格式:PDF
基本信息
标准号
GB 9685-2003
相关服务
仅限个人学习交流使用
标准类型
国家标准
标准状态
废止
中国标准分类号(CCS)
C53 食品容器、包装材料用助剂使用卫生标准
国际标准分类号(ICS)
67.040
发布日期
2003-09-24
实施日期
2004-05-01
发布单位/组织
中华人民共和国卫生部、中国国家标准化管理委员会
归口单位
中华人民共和国卫生部
适用范围
-
发布历史
-
1994-08
-
2004-05
文前页预览
免费预览已结束,剩余部分可下载查看
研制信息
- 起草单位:
- 上海市卫生局卫生监督所
- 起草人:
- 顾振华、陆屹
- 出版信息:
- 页数:8页 | 字数:10 千字 | 开本: 大16开
推荐标准
- GB/T 36030-2018 制药机械(设备)在位清洗、灭菌通用技术要求 2018-03-15
- GB/T 30757-2024 碳含量7%~50%的碱性致密定形耐火制品分类 2024-05-28
- GB/T 42601.1-2023 石油、重化学和天然气工业 润滑、轴密封和控制油系统及辅助设备 第1部分:一般要求 2023-05-23
- GB/T 29490-2013 企业知识产权管理规范 2013-02-07
- GB/T 13747.2-1992 锆及锆合金化学分析方法 1,10-二氮杂菲分光光度法测定铁量 1992-11-05
- GB/T 28221.3-2011 灾后过渡性安置区基本公共服务 第3部分:安全 2011-12-30
- GB/T 14214-2003 眼镜架 通用要求和试验方法 2003-12-11
- GB/T 16895.10-2021 低压电气装置 第4-44部分:安全防护 电压骚扰和电磁骚扰防护 2021-10-11
- GB/T 26493-2011 电池废料贮运规范 2011-05-12
- GB/T 8642-2002 热喷涂 抗拉结合强度的测定 2002-09-11
相似标准推荐
更多>- 1 GB/T 30028-2013 电动葫芦能效测试方法
- 2 GB 10035-2006 气囊式体外反搏装置
- 3 GB/T 18932.25-2005 蜂蜜中青霉素G、青霉素V、乙氧萘青霉素、苯唑青霉素、邻氯青霉素、双氯青霉素残留量的测定方法 液相色谱-串联质谱法
- 4 GB/T 21962-2008 玉米收获机械 技术条件
- 5 GB/T 21538-2008 金属薄板用涂覆胶辊
- 6 GB/T 28474.1-2012 工业过程测量和控制系统用压力/差压变送器 第1部分:通用技术条件
- 7 YS/T 378-2009 工业热电偶用贵金属丝材
- 8 GB/T 31985-2015 光伏涂锡焊带
- 9 GB/T 16463-1996 广播节目声音质量主观评价方法和技术指标要求
- 10 GB/T 34262-2017 蛋与蛋制品术语和分类

关闭预览
