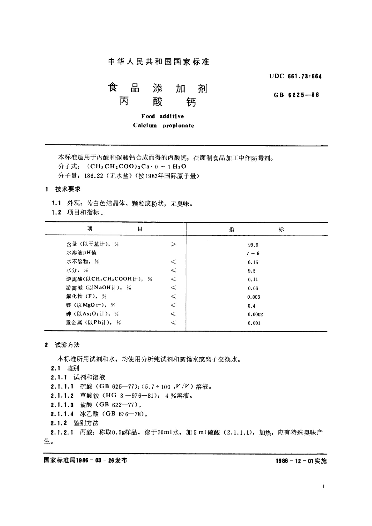
GB 6225-1986 食品添加剂 丙酸钙
GB 6225-1986 Food additive Calcium propionate
国家标准
中文简体
废止
页数:8页
|
格式:PDF
基本信息
标准号
GB 6225-1986
相关服务
仅限个人学习交流使用
标准类型
国家标准
标准状态
废止
中国标准分类号(CCS)
X42 食品添加剂 丙酸钙
国际标准分类号(ICS)
67.220.20
发布日期
1986-03-26
实施日期
1986-12-01
发布单位/组织
国家标准局
归口单位
化学工业部北京化工研究院、卫生部食品卫生监督检验所
适用范围
-
发布历史
-
1986-12
文前页预览
免费预览已结束,剩余部分可下载查看
研制信息
- 起草单位:
- 北京化工厂、北京市卫生防疫站
- 起草人:
- 王孙冏、俞雅文、陈华
- 出版信息:
- 页数:8页 | 字数:10 千字 | 开本: 大16开
推荐标准
- GB/T 22746-2008 地理标志产品 泌阳花菇 2008-12-28
- WH/T 87.2-2019 公共图书馆业务规范 第2部分:市级公共图书馆 2019-09-04
- GB/T 451.3-2002 纸和纸板厚度的测定 2002-06-13
- GB/T 7583-1987 声学 纯音气导听阈测定 听力保护用 1987-03-27
- GB/T 4146-1984 纺织名词术语(化纤部分) 1984-02-22
- GB/T 21782.7-2008 粉末涂料 第7部分:烘烤时质量损失的测定法 2008-06-19
- GB/T 3836.28-2021 爆炸性环境 第28部分:爆炸性环境用非电气设备 基本方法和要求 2021-10-11
- GB/T 13917.6-2009 农药登记用卫生杀虫剂室内药效试验及评价 第6部分:电热蚊香液 2009-03-27
- GB/T 6560-1986 十字槽盘头自攻锁紧螺钉 1986-07-02
- GB/T 16790.5-2006 金融交易卡 使用集成电路卡的金融交易 系统的安全体系 第5部分:算法应用 2006-09-18
相似标准推荐
更多>- 1 FZ/T 94018-1994 多梭箱(1×4)棉织机
- 2 GB/T 16656.507-2010 工业自动化系统与集成 产品数据表达与交换 第507部分:应用解释构造:几何有界曲面
- 3 SB/T 10620-2011 零售业品类管理指南
- 4 GB/T 19421.7-2003 层状结晶二硅酸钠试验方法 重量法测定湿存水量
- 5 GB/T 18654.1-2002 养殖鱼类种质检验 第1部分:检验规则
- 6 GB/T 37477-2019 救援装备水面搭载与吊放仿真试验方法
- 7 GB/T 1575-2001 褐煤的苯萃取物产率测定方法
- 8 GB/T 12668.7201-2019 调速电气传动系统 第7-201部分:电气传动系统的通用接口和使用规范 1型规范说明
- 9 GB/T 22660.4-2008 氟化锂化学分析方法 第4部分:镁含量的测定 火焰原子吸收光谱法
- 10 YY/T 0878.2-2015 医疗器械补体激活试验 第2部分:血清旁路途径补体激活

关闭预览
