DZ 1.4-1986 地质岩芯钻探管材螺纹量规
DZ 1.4-1986
行业标准
中文简体
被代替
页数:24页
|
格式:PDF
基本信息
标准号
DZ 1.4-1986
相关服务
仅限个人学习交流使用
标准类型
行业标准
标准状态
被代替
中国标准分类号(CCS)
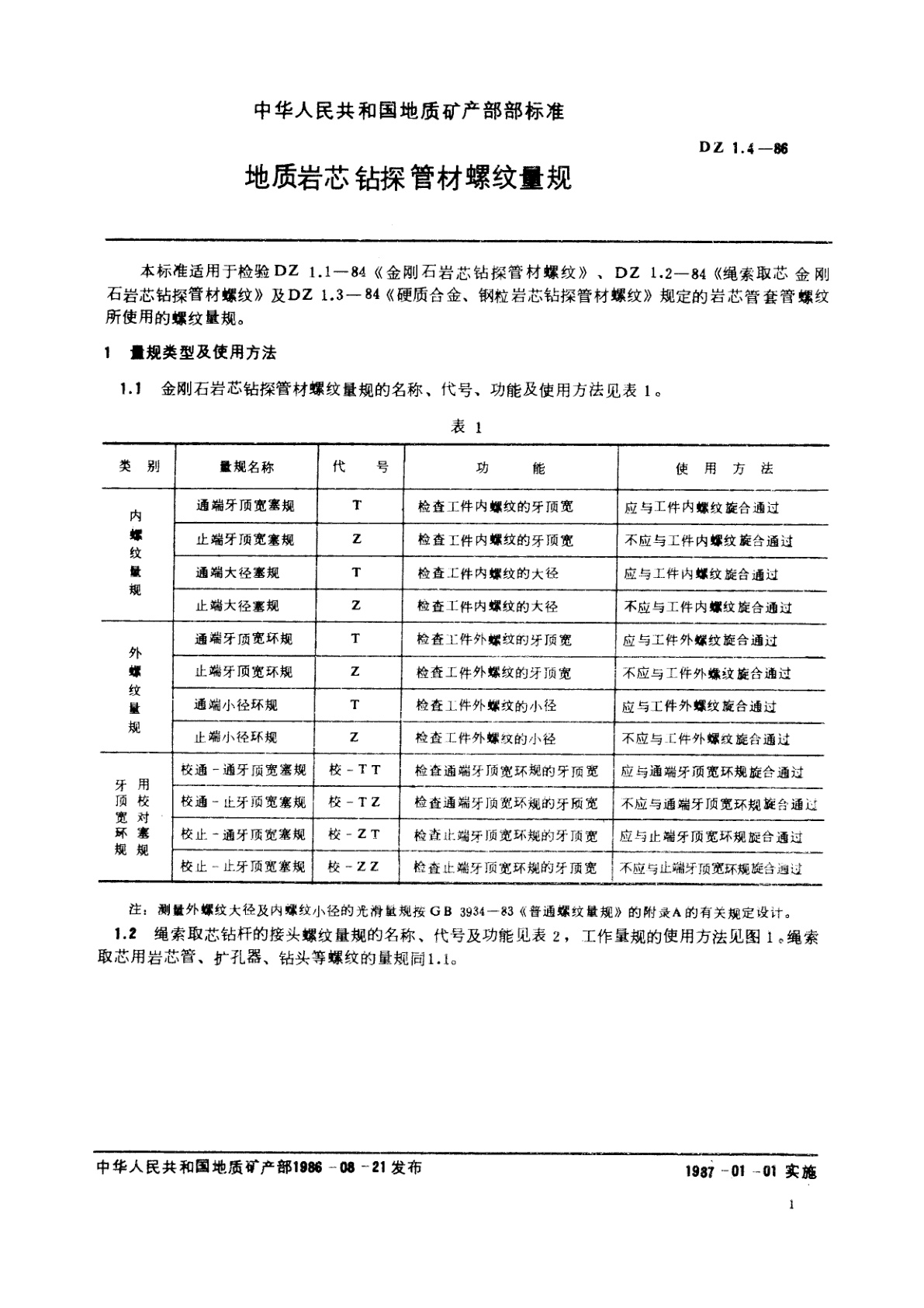
地质岩芯钻探管材螺纹量规
国际标准分类号(ICS)
发布日期
1986-08-21
实施日期
1987-01-01
发布单位/组织
中华人民共和国地质矿产部
归口单位
适用范围
-
发布历史
-
1987-01
文前页预览
免费预览已结束,剩余部分可下载查看
研制信息
- 起草单位:
- 地质矿产部无锡钻探工具厂
- 起草人:
- 贾真
- 出版信息:
- 页数:24页 | 字数:37 千字 | 开本: 大16开
推荐标准
- NY/T 578-2002 黄瓜 2002-11-05
- GB/T 23464-2009 防护服装 防静电毛针织服 2009-04-01
- GB 24788-2025 医用手套安全技术要求 2025-05-30
- GB/T 10410-2008 人工煤气和液化石油气常量组分气相色谱分析法 2008-08-07
- GB/T 17895-1999 天然气汽车和液化石油气汽车 词汇 1999-11-01
- GB/T 19551-2004 纺织机械 浆纱机 最大有效宽度 2004-06-11
- GB/T 18381-2001 电工用热固性树脂工业硬质层压板规范 定义、命名和一般要求 2001-07-12
- GB/T 21972.2-2012 起重及冶金用变频调速三相异步电动机技术条件 第2部分:YZP系列起重及冶金用变频调速三相异步电动机(轴流风机冷却) 2012-12-31
- GB/T 15268-2008 桑蚕鲜茧 2008-08-07
- YC/T 507-2014 烟草测土配方施肥工作规程 2014-07-23
相似标准推荐
更多>- 1 GB/T 40766-2021 数字航天摄影测量 控制测量规范
- 2 GB 11519-1989 车间空气中间苯二酚卫生标准
- 3 GB/T 18666-2014 商品煤质量抽查和验收方法
- 4 GB/T 46395-2025 纺织品 评定绒类织物经洗涤后外观毡化的试验方法
- 5 JJG 922-2008 验光仪顶焦度标准器
- 6 YY/T 1457-2016 无源外科植入物 硅凝胶填充乳房植入物中寡聚硅氧烷类物质测定方法
- 7 GB/T 16645.2-2000 信息技术 开放系统互连 公共管理信息协议 第2部分:协议实现一致性声明形式表
- 8 GB/T 11766-2008 小米
- 9 GB/T 13176.2-1991 洗衣粉中水分及挥发物含量的测定(烘箱法)
- 10 CB/T 3617-1994 管系及其附件特种涂装质量要求

关闭预览
